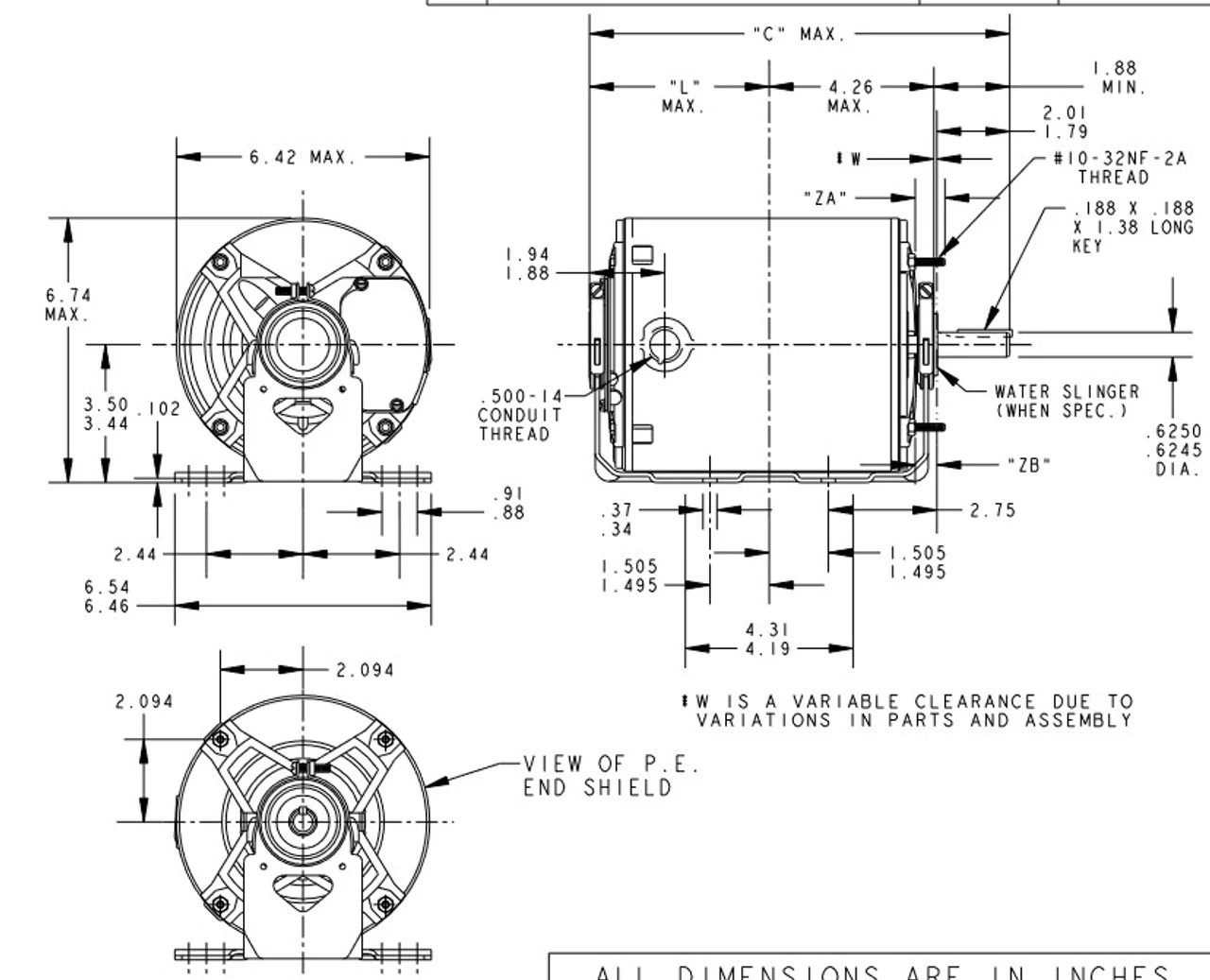
- 3/4 hp 1800 RPM, 3.3-3.0/1.5 amps, 208-230/460 Volts 60 Hz, 3 Phase
- NEMA 56 Frame Keyed Shaft 1 7/8″ x 5/8″ Diameter, 1 speed
- Service Factor = 1.0, Thermal Protection = None
- Resilient Base, Reversible, Ball Bearings, Class B insulation
- 1 Year Manufacture Warranty
Blower motors are used to blow air inside of buildings. Shaft may be vertical or horizontal. TENV = Totally Enclosed Non-Ventilated. 5K49KN4142



















Reviews
There are no reviews yet.