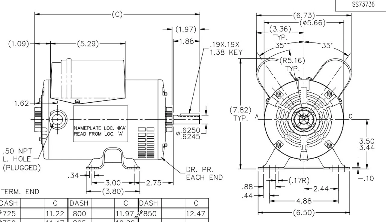
- 1 hp 3600 RPM, 10.6/5.5-5.3 amps, 115/208-230 Volts 60 Hz, Capacitor Start / Capacitor Run
- NEMA 56 Frame, Shaft 1 7/8″ x 5/8″ Diameter, 1 speed
- Service Factor = 1.15, Thermal Protection = Manual
- Rigid Base, Reversible rotation, Ball Bearings, Class B insulation
- 1 Year Manufacture Warranty
For use on air compressors found in pressure washer units. Shaft may be horizontal. ODP = Open Drip Proof. 056B34D2029


















Reviews
There are no reviews yet.