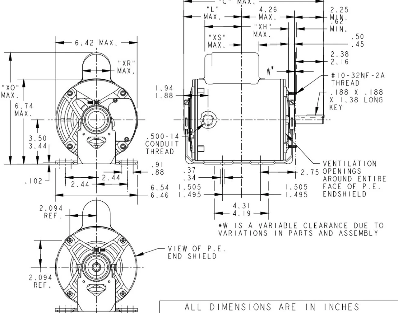
- 1 hp 1800 RPM, 14.4/7.2-7.2 amps, 115/208-230 Volts 60 Hz, Capacitor Start
- NEMA 56Z Frame Keyed Shaft 2 1/4″ x 5/8″ Diameter, 1 speed
- Service Factor = 1.0, Thermal Protection = Auto
- Resilient Base, Reversible, Ball Bearings, Class B insulation
- 1 Year Manufacture Warranty
Blower motors are used to blow air inside of buildings. Shaft may be vertical or horizontal. ODP = Open Drip Proof.
Marathon Model # 5KC49NN0061T
Replaces Century C523, C523V1
Dayton 4UB98



















Reviews
There are no reviews yet.