DELTA UNISAW REPLACEMENT MOTOR
- 1.5 hp 3450 RPM, 20.0/10.0 amps, 115/230V, 60hz.
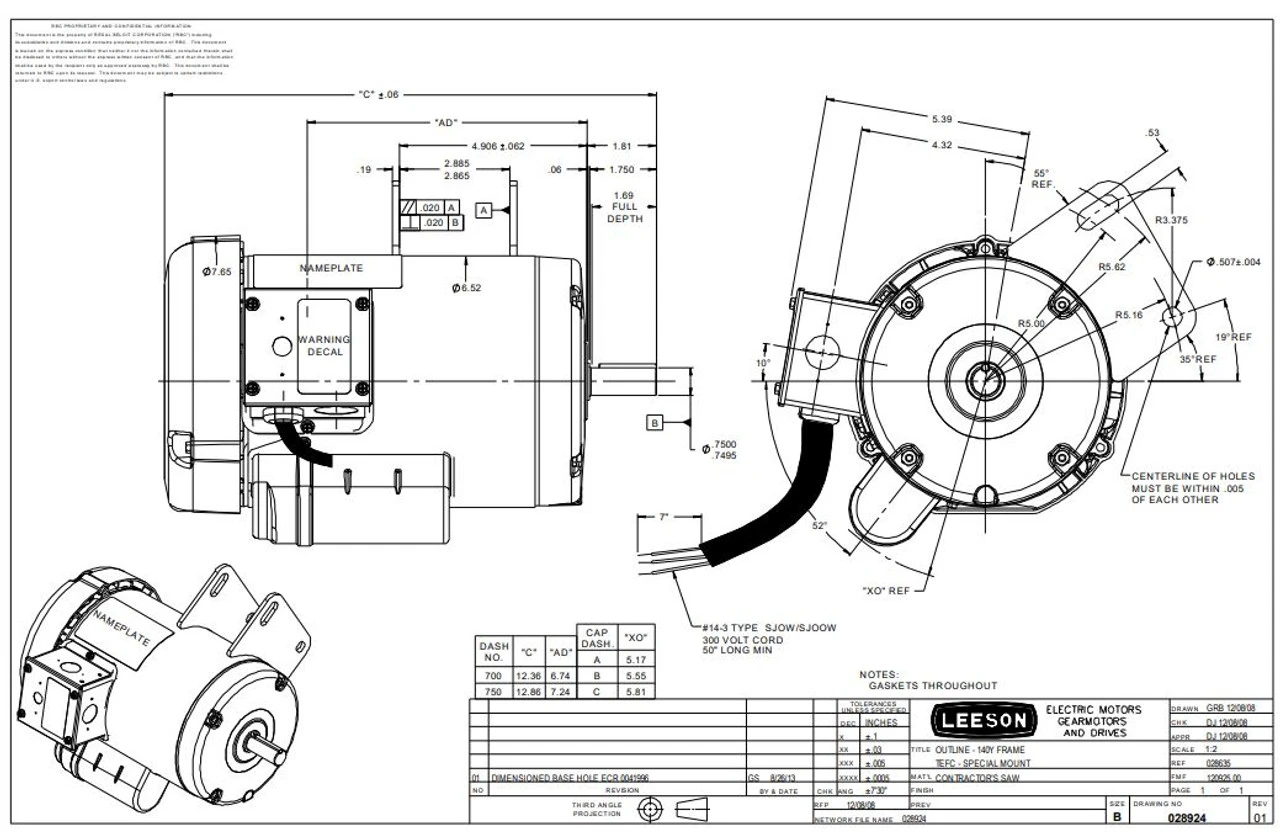
- Shaft Size: 3/4″ Diameter x 1-3/4″ Length
- Supplied with 54″ Electric cord connected for 230 volts
- Totally Enclosed Fan Cooled
- Electrically Reversible
- 143Y Frame Specialty Mounting Bracket
- Overload Protection = None
- Ball Bearings, Service Factor 1.0, Class B Insulation
- Overall Motor Length = 12.69 inches
- 1 year manufacture warranty
Special Mounting:
Motor pivots on rod for belt tensioning. We are unsure if this is for a right or left tilt saw, please check the dimensional diagram to make sure the bracket is on the correct side for your saw.
Totally enclosed fan cooled motor produces extra high breakdown torques for maximum cutting power.
Wiring diagram on motor nameplate. Please double check motor connection before installation. Capacitor start/capacitor run for reduced amperage.
Leeson Model C143C34FB5
Leeson Catalog No. 120925.00
Dayton 1XEL8



















Reviews
There are no reviews yet.